
5050幻彩发光二极管
更新:2026/3/30 15:36:50 点击:6
- 产品型号 GBS5050HC
- 产品描述
产品体积:5.4*5.0*2.5/1.65mm 发光角度120o
颜色选择:红、绿、蓝、白颜色都可选择
所过认证:符合ROSH指令要求
使用范围:主要用于照明亮化,如LED数码屏、模组、护栏管等
产品介绍
特性说明
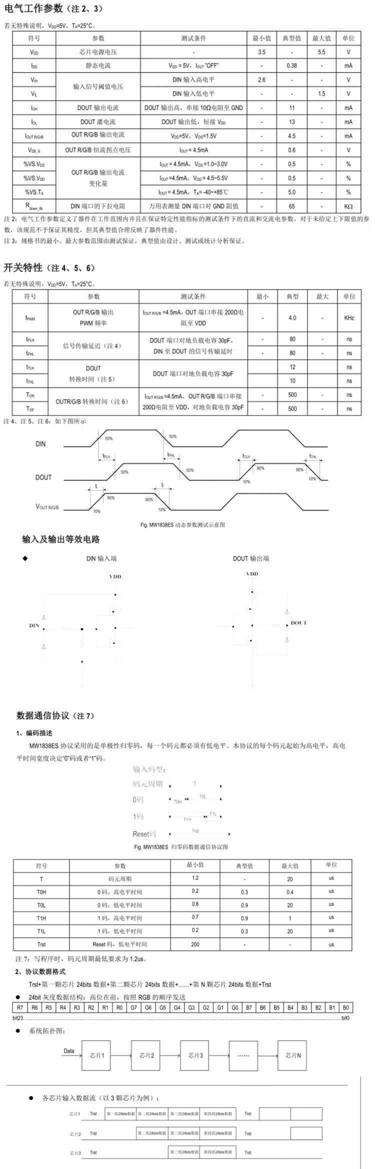
电源输入电压:3.5-7.5V,OUTR/G/B恒流值:5mA,内部集成高质量外控单线串行级联恒流IC
控制电路与芯片集成在元器件中,构成一个完整的外控像素点,色温效果均匀且一致性高
内置数据整形电路,任何一个像素点收到信号后经过波形整形再输出,保证线路波形畸变不会累加
默认上电不亮灯,灰度调节电路(256级灰度可调,数据整形:接收完本单元数据自动将后续数据整形输出
内置高精度和高稳定性振荡器,单线数据传输,可无限级联,数据协议兼容性高。
更多产品









